
As the key equipment in the water treatment process, the submersible mixer can meet the process requirements of homogenization and flow of solid-liquid two-phase flow and solid-liquid-gas three-phase flow in the water treatment process. It is composed of the submersible motor, impeller and an installation system etc.. According to the different transmission mode, the submersible mixer can be divided into: submersible mixer and low speed propeller two series


Submersible mixer
As the key equipment in the water treatment process, the submersible mixer can meet the process requirements of homogenization and flow of solid-liquid two-phase flow and solid-liquid-gas three-phase flow in the water treatment process. It is composed of the submersible motor, impeller and an installation system etc.. According to the different transmission mode, the submersible mixer can be divided into: submersible mixer and low speed propeller two series

Application
The submersible mixer is mainly used for mixing, stirring and circulation in municipal and industrial sewage treatment process. It can also be applied for the maintenance of landscape water environment, by creating water flow through the rotation of impeller, improve water quality, increase oxygen content and prevent the deposition of suspended solids
Working Conditions:
1. The temperature of the liquid is generally 0-40 °C;
2. The pH range: 5-9;
3. The density of the liquid does not exceed 1150kg/m3
4. Long-term diving depth is no more than 20m
Parameters:
|
Model |
Power (kW) |
Current (A) |
Rotary speed (rpm) |
Impeller Diameter (mm) |
Force (N) |
Weight (kg) |
|
QJB0.85/8-260/3-740/C/S |
0.85 |
3.4 |
740 |
260 |
163 |
55/58 |
|
QJB1.5/6-260/3-980/C/S |
1.5 |
4.4 |
980 |
260 |
290 |
55/58 |
|
QJB2.2/8-320/3-740/C/S |
2.2 |
5.9 |
740 |
320 |
582 |
74/77 |
|
QJB4/6-320/3-980/C/S |
4 |
10.8 |
980 |
320 |
609 |
74/77 |
|
QJB1.5/8-400/3-740/S |
1.5 |
5.6 |
740 |
400 |
382 |
76/80 |
|
QJB2.5/8-400/3-740/S |
2.5 |
7.3 |
740 |
400 |
575 |
76/80 |
|
QJB3/8-400/3-740/S |
3 |
8.6 |
740 |
400 |
642 |
78/82 |
|
QJB4/6-400/3-980/S |
4 |
10.3 |
980 |
400 |
1010 |
80/84 |
|
QJB4/12-620/3-480/S |
4 |
14 |
480 |
620 |
1230 |
240/245 |
|
QJB5/12-620/3-480/S |
5 |
18.2 |
480 |
620 |
1420 |
240/245 |
|
QJB7.5/12-620/3-480/S |
7.5 |
28 |
480 |
620 |
1963 |
255/270 |
|
QJB10/12-620/3-480/S |
10 |
32 |
480 |
620 |
2361 |
255/270 |
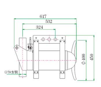
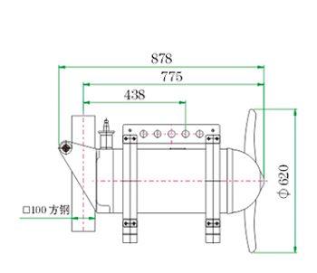
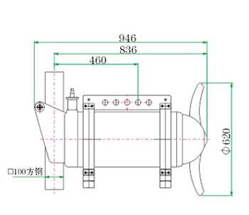
Dimensions:
![]() |
![]() |
![]() |
![]() |
![]() |
![]() |
Installation ways:

